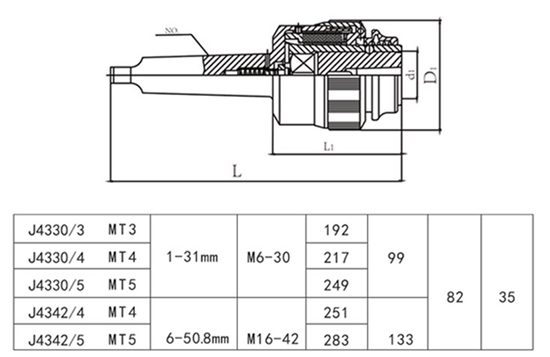
快换钻孔攻丝